Если учесть шо бабуины-релятивисты у нас скомуниздили и запрятали халяву а нам и нашим внукам
во всяких учебных заведениях в бошки бесплатно разливают свой бред и при этом беспощадно требуют всегда
молится до расшибания лбов на ЗСЭ

То загнать на корню технологию магнитных моноплей арабам это святое дело

Пока только одни они ишо супротив дрыгаются
Буржуины как всегда тупые

Нет шоб понять шо
перед ним антихалява, анигилятор священной энергии в никуда,
все лампочки бестолково тыкает. Почему антихалява рассказал уже выше.
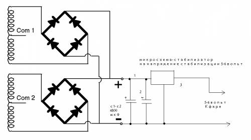
Крутил на разных оборотах на сколько позволяет двигатель от 15 вольтей ~ 3000 об/мин, движок ПТ от лазерного принтера размерами как у шуроповерта, но имеет ток ХХ 17ма шо позволяет достаточно точно обмерять баланс по мощи.
Вместо бла бла ...стенд делать пол-часа, кусок доски к которой изолентой приматываем двиг и ШД а валы соединяем резиновым шлангом от лисапедного насоса